发布日期:2025-11-06 19:09:38
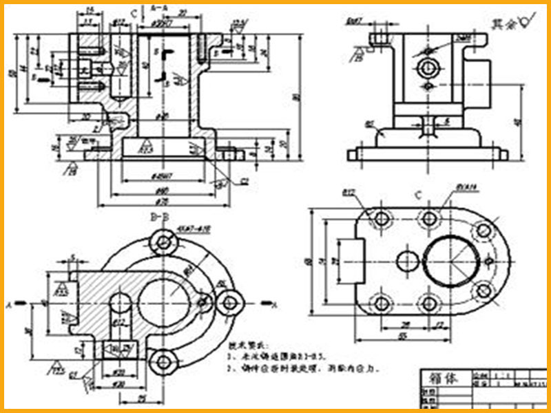
在东莞石碣镇水南村,制造业的蓬勃发展让机械制图人才成为“香饽饽”。无论是精密的机械零件设计,还是复杂的设备装配规划,都离不开精准的CAD机械制图。东莞CAD机械制图培训,恰似一座明亮的灯塔,为水南村及周边怀揣机械梦想的人们照亮了前行之路,而万江天骄职校则是这盏灯塔下最坚实的基石。
走进万江天骄职校的东莞CAD机械制图培训课堂,仿佛踏入了一个充满理性与创意的机械世界。这里的老师皆是机械制图领域的资深专家,他们不仅有着深厚的理论知识,更具备丰富的实战经验。从CAD软件的基础操作、图形绘制,到三维建模、装配体设计,再到工程图的规范标注、打印输出,每一个环节老师都讲解得细致入微,还会结合实际机械案例,让学员们更直观地理解制图的要点。
为了让学员们更好地将理论知识转化为实践能力,学校配备了先进的电脑设备和专业的CAD软件。学员们可以在这里进行大量的实操练习,从简单的二维图形绘制,到复杂的三维模型创建,每一个步骤都能得到老师的耐心指导和纠正。同时,学校还会组织学员参与实际项目的制图实践,让他们在实践中积累经验,提升自己的制图水平。
经过在万江天骄职校的东莞CAD机械制图培训学习,学员们的制图能力得到了显著提升,能够更加熟练、准确地完成各种机械制图任务。
东莞CAD机械制图培训,在万江天骄职校,是一场知识与技能的融合,是一次梦想与现实的对接。如果你也热爱机械制图,渴望在这个领域展现自己的才华,不妨从石碣镇水南村出发,来万江天骄职校开启你的CAD机械制图精彩之旅。

扫码咨询